This website requires JavaScript.
Explore
Help
Register
Sign In
NanjingForestryUniversity
/
lowermachine
Watch
3
Star
0
Fork
0
You've already forked lowermachine
Code
Issues
Pull Requests
Actions
Packages
Projects
Releases
Wiki
Activity
c98584d029
lowermachine
/
doc
/
pl_reference_mannual.assets
/
system_arch.png
Miaow
c98584d029
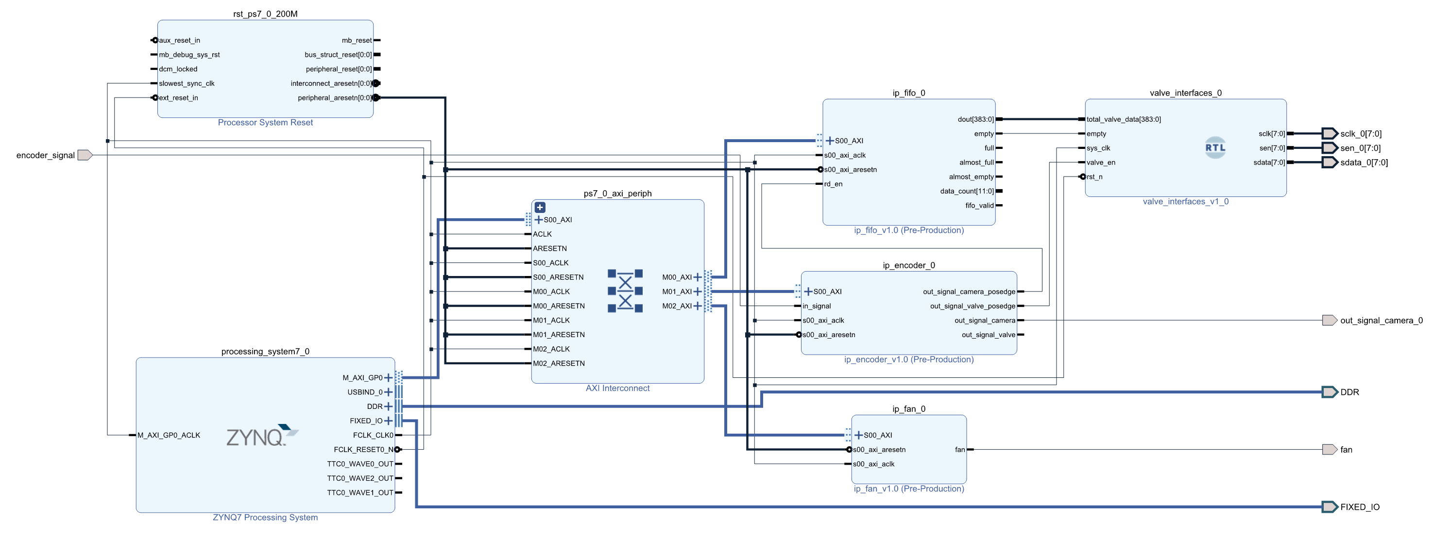
寒假前烟梗分选机上已经开始用的
...
测试能否打中暂时没啥问题,但溜的急,没充分测试
2022-07-03 19:47:53 +08:00
203 KiB
2950x1105px
Raw
History