lowermachine/doc/hardware_description.assets/system_arch.png
Miaow 845af905f9 feat(pl,drv): 实现了4路相机的独立触发输出
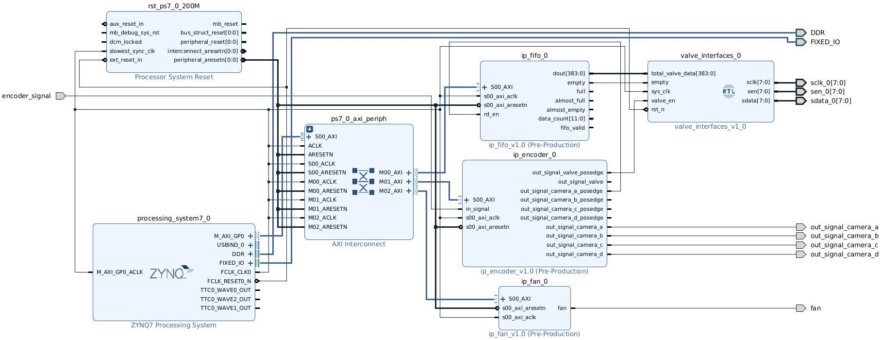
1. 修改了encoder模块的PL端设计和驱动,修改为为4路相机的独立触发输出
2. 修改了启动方式,将比特流文件从BOOT.BIN中分离,实现PL端逻辑的动态加载

BREAKING CHANGE: encoder模块的PL逻辑和linux驱动有变化,驱动的write接收参数从
	struct {
			unsigned int valve_divide_value;
			unsigned int camera_divide_value;
	} encoder_dev_divide_value_structure;
	变为
	struct {
			unsigned int valve_divide_value;
			unsigned int camera_a_divide_value;
			unsigned int camera_b_divide_value;
			unsigned int camera_c_divide_value;
			unsigned int camera_d_divide_value;
	} encoder_dev_divide_value_structure;
2023-04-26 10:56:29 +08:00

539 KiB
1817x700px