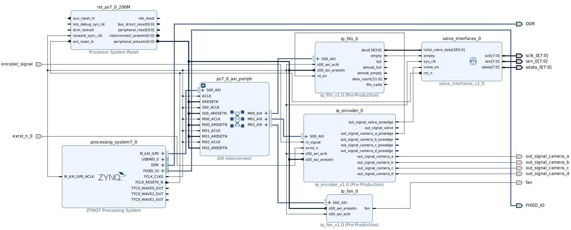
lowermachine/doc/pl_reference_mannual.assets/system_arch.jpg
Miaow 4ecbc6a0ba feat(pl,drv): 添加了外部信号屏蔽相机触发的机制
1. pl端的encoder模块实现了可选的外部复位信号
2. pl端修改encoder模块的ENCODER_CR寄存器复位值,为仅限内部复位以及内部默认处于复位状态
3. 驱动层实现外部复位的开启和关闭功能,驱动open时退出默认的复位清零状态
   由于驱动程序已在open时退出复位状态,应用程序可不做更改,驱动程序close后不会自动切换回复位状态
4. 更新了驱动测试应用程序
2023-04-26 21:21:40 +08:00

258 KiB
1817x731px