This website requires JavaScript.
Explore
Help
Register
Sign In
NanjingForestryUniversity
/
lowermachine
Watch
3
Star
0
Fork
0
You've already forked lowermachine
Code
Issues
Pull Requests
Actions
Packages
Projects
Releases
Wiki
Activity
71f8e672d5
lowermachine
/
doc
/
hardware_description.assets
/
system_arch.png
Miaow
71f8e672d5
机器已经部署到淮安
...
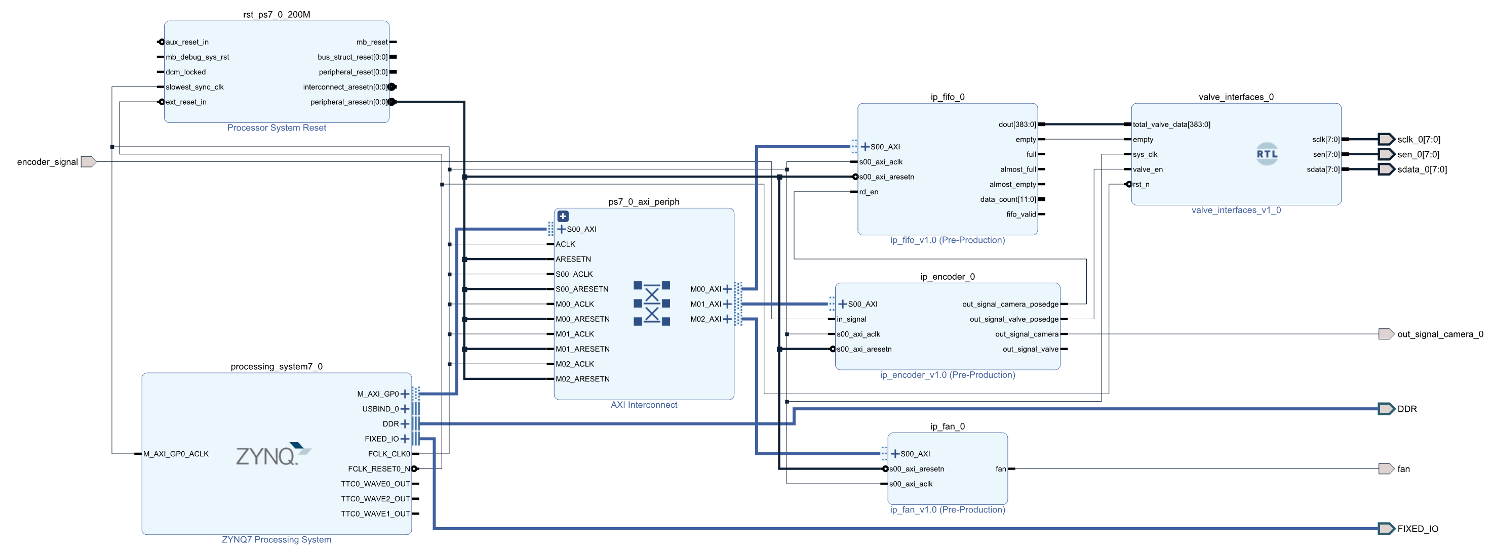
8月底出差告一段落,运行一切正常 1. 添加了喷阀数据队列走空计数和自动补偿功能 2. 喷阀数据队列发生不可恢复的异常时向上位机报告错误 3. 取消双FIFO
2022-09-01 21:40:16 +08:00
203 KiB
2950x1105px
Raw
History