lowermachine/doc/hardware_description.md
Miaow c98584d029 寒假前烟梗分选机上已经开始用的
测试能否打中暂时没啥问题,但溜的急,没充分测试
2022-07-03 19:47:53 +08:00

4.2 KiB
Raw Blame History

硬件平台

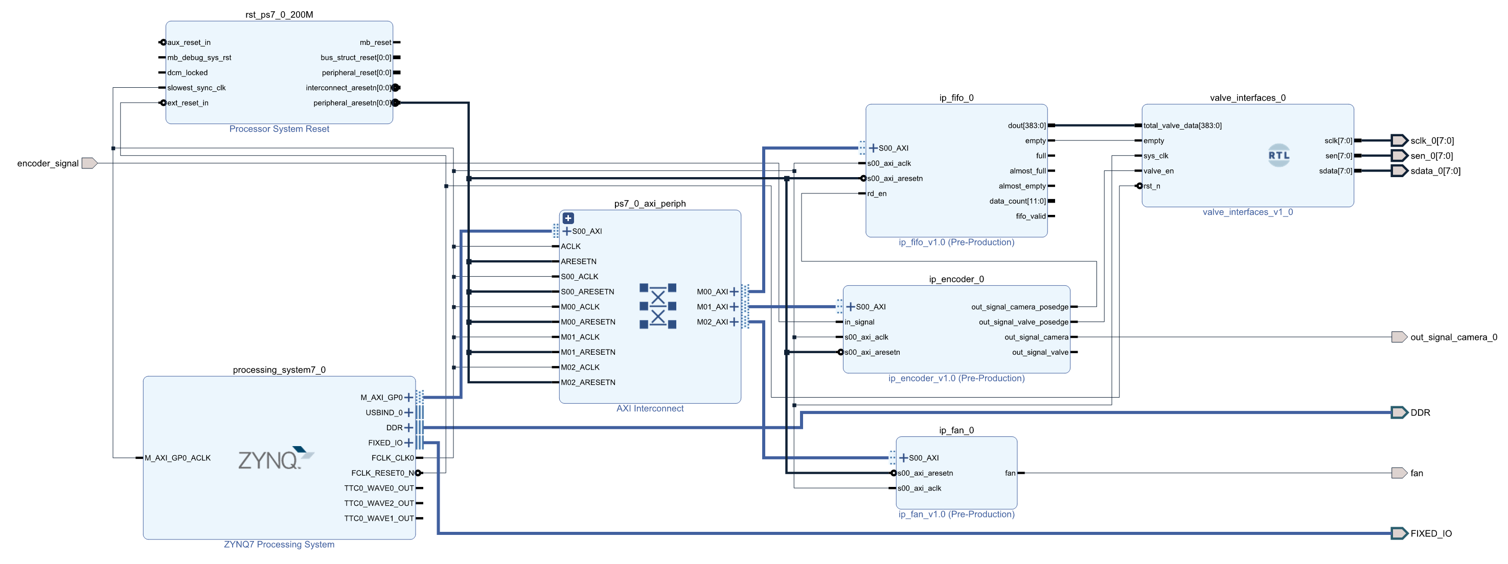
PL端主要由4个外设组成分别时风扇控制器(FAN)编码和分频控制器(ENCODER)先入先出队列(FIFO)和阀板控制器(VALVE)。其中阀板控制器没有提供AXI接口因此并没有映射寄存器软件也无法进行控制。各个控制器的连接关系如下图所示。

2

由于开发板的PL端没有自带晶振所以4个外设由统一的同步时钟驱动时钟源来自PS端为200MHz软件不可修改。外部编码器信号输入编码和分频控制器,控制器根据软件设置的阀触发分频值和相机触发分频值对编码器信号进行分频,分频后的信号用于驱动喷阀动作和触发相机拍照。为同步触发相机和移出队列以及保持队列中数据的动态平衡,先入先出队列在相机触发同时输出一个数据,即先入先出队列读信号和相机触发共用同一个信号。而由于电磁阀的物理特性导致电磁阀无法以触发相机的频率进行开关,因此阀板控制器对先入先出队列输出总线上的数据进行重采样,即按照编码和分频控制器输出的阀触发信号更新并转换为阀板协议输出电磁阀的状态。设计的风扇控制器用于驱动风扇的启停给ZYNQ芯片进行降温防止芯片过热导致工作中出现问题。

生成硬件描述文件

  1. 创建名为test_lower_machine的工程打开Block Design添加ZYNQ7 Processing System、ip_fifo、ip_encoder、ip_fan、valve_interfaces模块。
  2. 在ZYNQ7 Processing System中勾选Quad SPI Flash [1-6]、Ethernet 0 [16-27]、USB 0 [28-39]、SD 0 [40-45]、SD 1 [46-51]、UART 0 [14-15]、TTC 0 [EMIO]、GPIO MIO {Ethernet PHY Reset [7]、USB PHY Reset[8]}
  3. 按顺序点击Generate Outputs Product -> Create HDL Wrapper -> Generate BitstreamFile -> Export Export Hardware 得到xsa文件。

ENCODER模块

  1. encoder模块自定义接口in_signal、out_signal_camera_posedge、out_signal_valve_posedge、out_signal_camera、out_signal_valve

  2. in_signal接口与外部编码器相连接收外部编码器信号

  3. out_signal_camera为分频后的信号用于驱动相机拍照

  4. out_signal_camera_posedge为out_signal_camera的上升沿该信号输出给fifo模块的rd_en接口用来驱动fifo模块将数据加载到AXI总线上

  5. out_signal_valve_posedge为out_signal_valve的上升沿该信号输出给valve_interfaces模块的valve_en信号用于输出AXI总线上的数据驱动喷阀动作

  6. ENCODER模块寄存器说明见doc/pl_reference_mannual.md中的ENCODER控制器部分

FIFO模块

  1. fifo模块自定义接口rd_en、dout[383:0]、empty、full、almost_full、almost_empty、data_count[11:0]、fifo_valid
  2. rd_en接收out_signal_camera_posedge传来的信号用来驱动fifo模块将数据加载到AXI总线上
  3. dout[383:0]为驱动喷阀动作的总数据数据位宽为384bit
  4. 当empty信号拉高时表示fifo中数据已经为空无法输出有效数据
  5. fifo模块寄存器说明见doc/pl_reference_mannual.md中的FIFO控制器部分

FAN模块

  1. fan模块自定义接口fan用于控制风扇的启停
  2. fan模块寄存器说明见doc/pl_reference_mannual.md中的FAN控制器部分

Notefan模块代码中设计了PWM调速功能但由于硬件兼容问题导致无法观察到调速现象。但正常的启停可以做到

VALVE_INTERFACES模块

  1. valve_interfaces模块自定义接口total_valve_data[383:0]、empty、valve_en、sclk[7:0]、sen[7:0]、sdata[7:0]
  2. total_valve_data[383:0]接收fifo模块dout接口传输的数据对其重采样后由sdata接口输出给各个阀板
  3. empty信号与fifo模块的empty信号相连。valve_interfaces模块检测到empty信号为高后表示fifo中的数据被读空此时将total_valve_data的384bit的数据全部置为0然后输出给阀板
  4. valve_en信号拉高后将384bit的数据输出给阀板更新喷阀状态。该信号不拉高时则不更新喷阀状态
  5. sclk[7:0]、sen[7:0]、sdata[7:0]为对应8块阀板的时钟信号线、使能信号线以及数据信号线