lowermachine/doc/hardware_description.assets/system_arch.png
Miaow 71f8e672d5 机器已经部署到淮安
8月底出差告一段落,运行一切正常
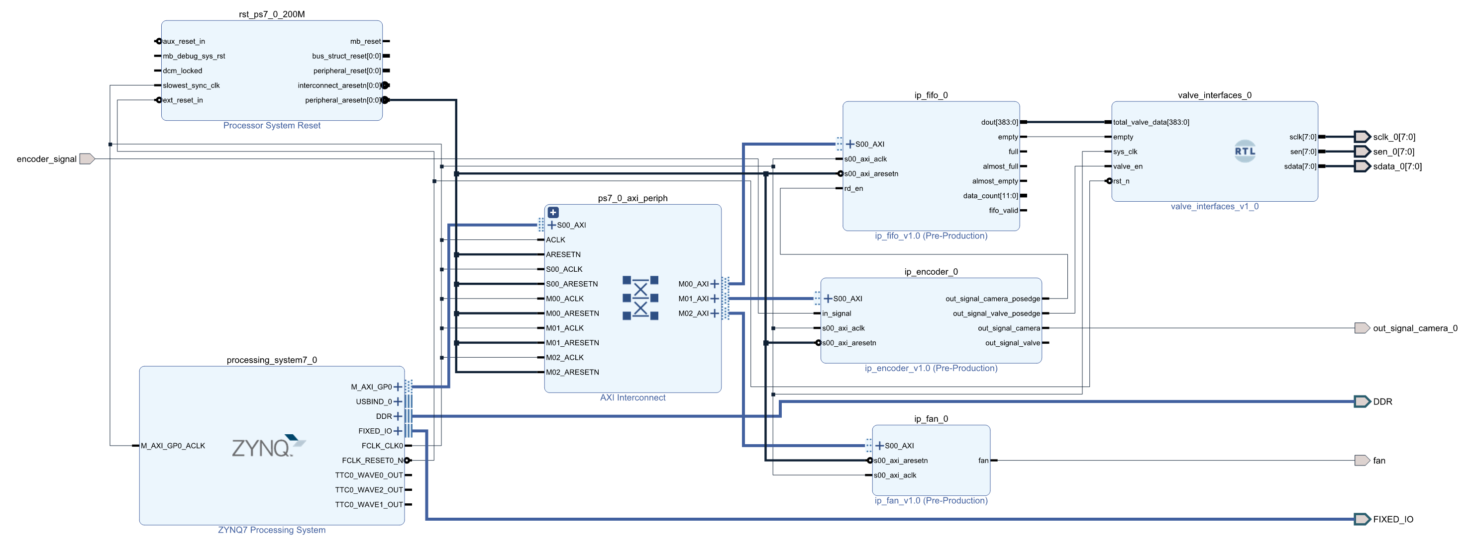
1. 添加了喷阀数据队列走空计数和自动补偿功能
2. 喷阀数据队列发生不可恢复的异常时向上位机报告错误
3. 取消双FIFO
2022-09-01 21:40:16 +08:00

203 KiB
2950x1105px